公司介绍
产品系列
直连 - B5式
直连 - B3式
联轴器 - B3式
配套附件
风机旋向
行业应用
资料下载
联系我们
首页
公司新闻
联系我们
CN
EN
DE
Previous
Next
1
2
3
4
5
6
当前位置:
首页
>
行业应用
0510-85131169
燃气锅炉超低氮改造
助力燃气锅炉超低氮项目改造
项目简介:
用 户:上海题桥纺织染纱有限公司
燃气锅炉:江苏双良 WNS18-1.25-Y.Q
超低氮燃烧器:NTFB诺特飞博 GS11-01-I-65-B
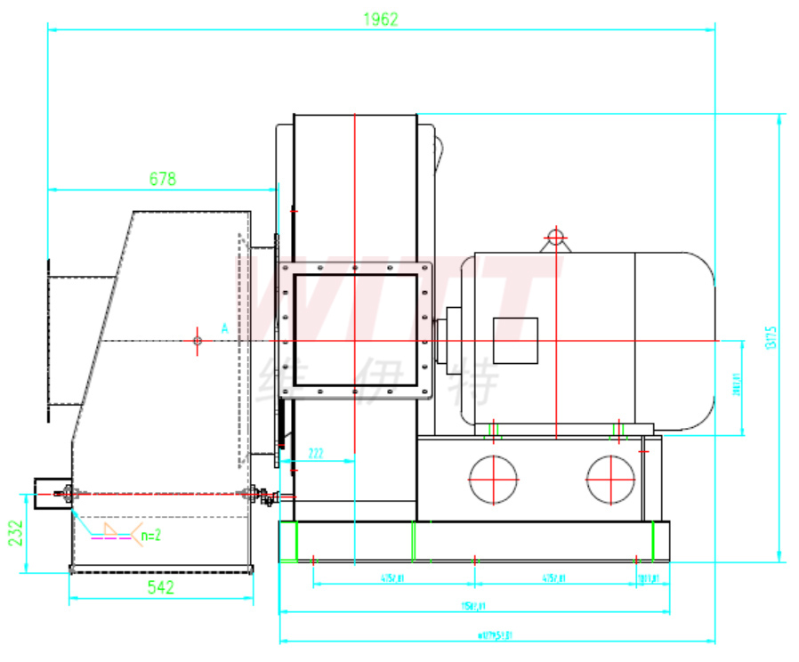
风 机:WITT维伊特TY710-2.1/0.6 电机功率:75KW
特 色:为客户量身定制的烟气和空气预混箱保证了燃烧的低排放;利于冷凝水排放,利于噪音的降低。
2019/01/26 10:04:54
2217 次
电厂
没有了
相关文档
·
维伊特参加锅炉行业团标专家会议-以一级能效风机助力工业锅炉行业节能降耗水平提升
·
以匠心铸品质,以标准赢信任——维伊特打造API673高标准风机,赢得全球石化巨头高度认可
·
维伊特风机助力三大炼化巨头年省百万电费,树立炼化行业节能标杆
·
维伊特风机:以尖端技术赋能俄罗斯能源工程标杆项目
·
浅谈维伊特风机与工业锅炉行业的三次变革
·
维伊特风机为无锡国际燃烧热能产业博览会注入新动能
Copy right © 2019 维伊特风机(无锡)有限公司 版权所有
网站制作
:
无锡网科
备案号:
苏ICP备19005453号